HOME
ABOUT US
PRODUCTS
NEWS
HONOR
PROJECTS
JOBS
MESSAGE
CONTACT US
PRODUCTS
Gate valve
Globe valve
Check valve
Butterfly valve
Ball valve
Strainer
Regulating valve
Pressure reducing valve
Plunger valve
Plug valve
Balanced valve
Others
Quick navigation
Company profile
Enterprise culture
Company news
Industry information
Talent concept
Enterprise recruitment
>>
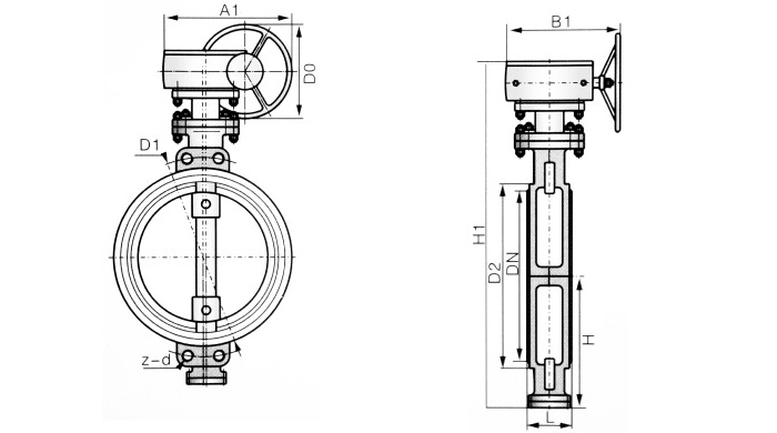
D373H Wafer type multi-level metal to metal sealed butterfly valve
Last:
D343H Three eccentric multi-level butterfly valve (flange connection)
Next:
D71X-10 Hand-operated wafer type butterfly valve
SHANGHAI BOHAI VALVE CO.,LTD Address:NO.3885.Waiqingsong Road,Qingpu District,Shanghai,China
Tel:021-69746026 Fax:021-69746025 E-mail:
shbhvalve@163.com
Mutual benefit,win-win cooperation